Magnetic Separator Phoenix NEO
Magnetic Separator Phoenix NEO Thumbnail Magnetic Separator Phoenix NEO Thumbnail Magnetic Separator Phoenix NEO Thumbnail Magnetic Separator Phoenix NEO Thumbnail Magnetic Separator Phoenix NEO Thumbnail Magnetic Separator Phoenix NEO Thumbnail Magnetic Separator Phoenix NEO Thumbnail Magnetic Separator Phoenix NEO Thumbnail Magnetic Separator Phoenix NEO Thumbnail Magnetic Separator Phoenix NEO Thumbnail Magnetic Separator Phoenix NEO Thumbnail Magnetic Separator Phoenix NEO Thumbnail Magnetic Separator Phoenix NEO Thumbnail Magnetic Separator Phoenix NEO Thumbnail Magnetic Separator Phoenix NEO Thumbnail Magnetic Separator Phoenix NEO Thumbnail Magnetic Separator Phoenix NEO Thumbnail Magnetic Separator Phoenix NEO Thumbnail Magnetic Separator Phoenix NEO Thumbnail Magnetic Separator Phoenix NEO Thumbnail Magnetic Separator Phoenix NEO Thumbnail

Magnetic Separator Phoenix NEO

Magnetic separator for grinding coolant. High-performance, multiple drum types (PXK, PXH, PXN, PXP) for a wide range of filtration and flow rates.

Mechanism

Specifications

Filtration accuracy

Array

Processing flow rate

Product weight

Paint color

Array

Options

Model code

Model code image

* Photos are product images for illustration purposes only. Specifications differ from the actual product.
* The filtration accuracy is based on the results of our experiments, and does not imply that this level of accuracy is guaranteed.
* The specifications and dimensions are subject to change without notice.
* When the oil viscosity exceeds 30 mm2/s, please consult us.
* For information about custom products other than standard products, please consult us.

Coolant

Water soluble Oil-based

Category

Magnetic material

Processing Details

Grinding

Work Material

FC/FCD Steel

Chip Shape

Sandy Cottony Granular Needle-shaped

Grinding Chip Size

Ultrafine particles (5 µm to 10 µm) Fine particles (10 µm to 100 µm) Coarse particles (0.1 mm to 0.5 mm)

Machine Tool

Grinding machine Tool grinding machine Saving machine Honing machine Super finishing machine Thread rolling machine Induction hardening machine Washing machine

Mechanism

Mechanism 1
Mechanism 2
  1. When the dirty liquid that flowed into this machine passes through the filtration section (magnetic drum), the sludge in the liquid is adsorbed by the magnetic force of the magnet, and filtered.
  2. After filtration, the clean liquid is discharged to the outside of the main body.
  3. The adsorbed sludge is—as a result of the rotation of the magnetic drum—dehydrated by the squeeze roll.
  4. The dehydrated sludge is scraped off by the scraping board that contacts the magnetic drum, and discharged to the outside of the main body.

Specifications

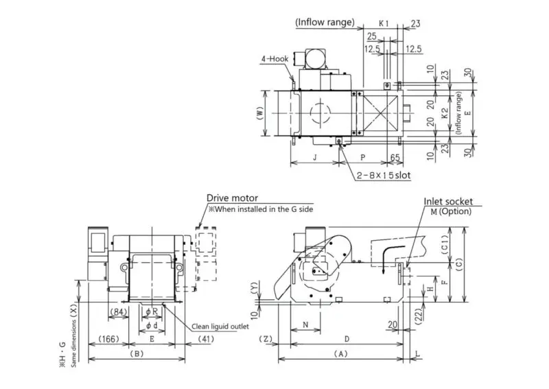
Dimensional drawing

Dimensional Drawing

Dimension table

Dimension Table

Filtration accuracy / Processing flow rate / Model code

Model Code

Product weight

* The product weight varies depending on the specifications, options, etc.

Paint color

Array

* For information about the specified color, please consult us.

Product Photo (Example)

Main body

Main body

Basket section

Basket section

Unit

Unit


* The filtration accuracy is based on the results of our experiments, and does not imply that this level of accuracy is guaranteed.
* The specifications and dimensions are subject to change without notice.
* When the oil viscosity exceeds 50 mm 2/s, please consult us.
* For details on how to select the supply pump, please contact us.
* For information about custom products other than standard products, please consult us.

* Photos are product images for illustration purposes only. Specifications differ from the actual product.
* The filtration accuracy is based on the results of our experiments, and does not imply that this level of accuracy is guaranteed.
* The specifications and dimensions are subject to change without notice.
* When the oil viscosity exceeds 30 mm2/s, please consult us.
* For information about custom products other than standard products, please consult us.